产品展示

Products Classification

高精度并联六轴位移台:RUHX-S

  • 产品时间:2026-03-16 22:50
  • 价       格:

简要描述:简要描述: 六自由度并联机器人的结构由上下两个平台,中间6个伸缩缸以及上下各6个虎克铰(或球铰)组成6-6形机构,称为Stewart平台。其中下平台固定,下平台与上平台通过6个伸缩缸...

详细介绍
简要描述:
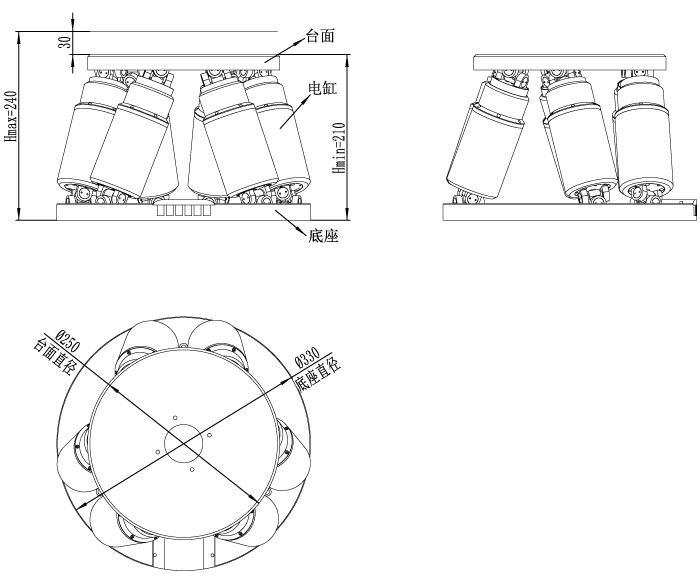
六自由度并联机器人的结构由上下两个平台,中间6个伸缩缸以及上下各6个虎克铰(或球铰)组成6-6形机构,称为Stewart平台。其中下平台固定,下平台与上平台通过6个伸缩缸及虎克铰连接,虎克铰或球铰位于上平台与6个伸缩缸的连接处,对保证平台的正常运行和整个结构刚度起着关键作用。借助伸缩缸的伸缩来实现上平台沿X、Y、Z的平移和绕X、Y、Z轴的旋转运动。一般伸缩缸由伺服电动缸或液压缸组成(大吨位的采用液压缸的形式)如下图2所示。借助六个伸缩缸的伸缩运动,完成上平台在空间六个自由度(X,Y,Z,α,β,γ)的运动,从而可以模拟出各种空间运动姿态,因此可广泛应用到各种训练模拟器中,如飞行模拟器、汽车驾驶模拟器、地震模拟器、卫星、导弹等飞行器、娱乐设备(动感电影摇摆台)等领域中。在加工业可制成六轴联动机床、机器人等。
 
特点:
自工业机器人问世以来,采用串联机构的机器人占主导位置。串联机器人具有结构简单、操作空间大,因而获得广泛应用。由于串联机器人自身的限制,研究人员逐渐把研究方向转向并联机器人。和串联机器人相比,六自由度并联机器人有以下特点:
1.并联结构其末端件上同时由6根杆支撑,与串联的悬臂梁相比刚度大,结构稳定。
2.由于刚度大,并联结构较串联结构在相同的自重或体积下,有较高的承载能力。
3.串联机构末端件上的误差是各个关节误差的积累和放大,因而误差大、精度低,并联式则没有那样的误差积累和放大关系,微动精度高。
4.串联机器人的驱动电机及传动系统大都放在运动着的大小臂上,增加了系统的惯量,恶化了动力性能,而并联机器人将电机置于机座上,减小了运动负荷。
5.在位置求解上,串联机构正解容易,但反解困难。而并联机构正解困难,反解非常容易  
比较项目 并联机器人 串联机器人
工作空间
刚度
奇异性问题
负载能力
惯量
结构 复杂 简单
位置精度 误差平均化 误差积累
速度 较高 较低
加速度 较高 较低
承载力 多杆积累 单杆限制
位置反解 容易 困难
位置正解 困难 容易
控制 复杂 简单

型号 RUHX-S-300-220 RUHX-S-330-250
运动轴 X,Y,Z,θX,θY,θZ
X、Y最大行程 ±30mm  ±30mm
Z最大行程 ±15mm ±15mm
θX、θY 行程(俯仰) ±12° ±12°
θZ行程 ±20°  ±20°
电缸分辨率 0.1μm 0.1μm
X、Y最小移动量 0.5μm 0.5μm
Z最小移动量 0.5μm 0.5μm
θX、θY最小移动量 0.001° 0.001°
θZ最小位移动量 0.001° 0.001°
X、Y回程 1μm 1μm
Z回程 0.5μm 0.5μm
θX、θY回程 0.0005° 0.0005°
θZ回程 0.001° 0.001°
X、Y双向重复精度 ±0.3μm ±0.3μm
Z双向重复精度 ±0.1μm ±0.1μm
θX、θY双向重复精度 ±0.0005° ±0.0005°
θZ双向重复精度 ±0.0005° ±0.0005°
X、Y和Z向上的最大速度 30mm/sec 30mm/sec
θX、θY、θZ向上的最大速度 15°/sec 15°/sec
负载能力(底板为水平方向) 50kg 50kg
负载能力(任意方向) 12kg 12kg
断电保持力(底板为水平方向) 80N 80N
断电保持力(任意方向) 30N 30N
XYZ刚度 ≥1.7N/μm
电机类型 伺服电机+多圈绝对值编码器
驱动类型 EtherCAT总线通讯
工作温度范围 -20 到 50℃
材料 不锈钢/铝合金
质量 12.5kg 15.5kg 
注:以上为常规型号,可根据需求个性化定制,并可提供真空版本
 
RUHX-S-300-220
-------------------------------------------------------------------------------------------------------------------------------------

RUHX-S-300-250
 

 


产品咨询

留言框

  • 产品:

  • 留言内容:

  • 您的单位:

  • 您的姓名:

  • 联系电话:

  • 常用邮箱:

  • 详细地址:


推荐产品

Copyright © 2002-2021 北京瑞钰科技有限公司 版权所有 备案号:京ICP备2021033966号

王经理 董经理 联系方式 二维码

服务热线

董小姐:19930237990, 王先生:13718806882

扫一扫,关注我们