服务热线
董小姐:19930237990, 王先生:13718806882
直驱气浮滑台转台系列
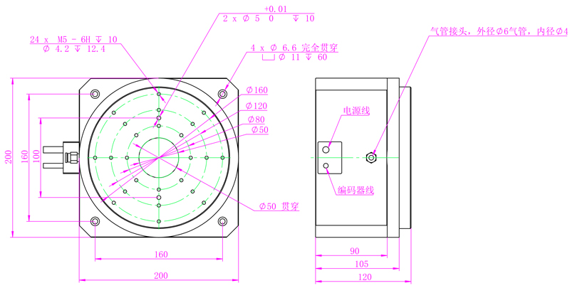
Air floating slide series| 主要参数 | 单位 | RUDDA-100-100 | RUDDA-100-100-B | RUDDA-150-100 | RUDDA-200-90 |
| 连续转矩 | N.m | 1.24 | 1.24 | 5.58 | 10 |
| 最大转矩 | N.m | 3.72 | 3.72 | 16.7 | 20 |
| 电机重量 | Kg | 4 | 4 | 7 | 10 |
| 最高转速 | rpm | 300 | 300 | 600 | 600 |
| 定位精度 | Arc sec | ≤±5 | ≤±2 | ≤±2 | ≤±2 |
| 重复精度 | Arc sec | ≤±2 | ≤±1 | ≤±1 | ≤±1 |
| 分辨率 | Sin/cos | 模拟量细分 | 模拟量细分 | 模拟量细分 | 模拟量细分 |
| 最大轴向载荷 | kg | 10 | 10 | 40 | 50 |
| 最大径向载荷 | kg | 5 | 5 | 20 | 25 |
| 轴向跳动 | μm | ≤0.3 | ≤0.2 | 0.3 | 0.25 |
| 径向跳动 | μm | ≤0.3 | ≤0.2 | 0.3 | 0.3 |
| 气压 | Mpa | 0.6 | 0.6 | 0.6 | 0.7 |
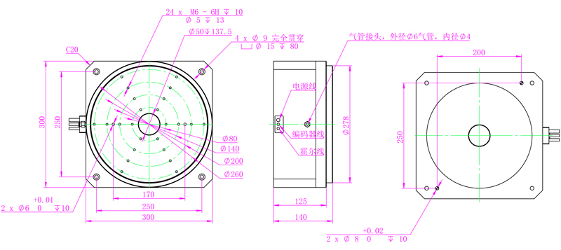
| 主要参数 | 单位 | RUDDA-200-120 | RUDDA-250-140 | RUDDA-300-140 | RUDDA-450-180 |
| 连续转矩 | N.m | 14.9 | 25 | 33 | 100 |
| 最大转矩 | N.m | 44.7 | 50 | 88 | 200 |
| 电机重量 | Kg | 12 | 220 | 25 | 120 |
| 最高转速 | rpm | 300 | 300 | 300 | 200 |
| 定位精度 | Arc sec | ≤±2 | ≤±2 | ≤±2 | ≤±2 |
| 重复精度 | Arc sec | ≤±1 | ≤±1 | ≤±1 | ≤±1 |
| 分辨率 | Sin/cos | 模拟量细分 | 模拟量细分 | 模拟量细分 | 模拟量细分 |
| 最大轴向载荷 | kg | 100 | 150 | 200 | 300 |
| 最大径向载荷 | kg | 50 | 70 | 100 | 150 |
| 轴向跳动 | μm | 0.25 | 0.25 | 0.25 | 0.2 |
| 径向跳动 | μm | 0.3 | 0.3 | 0.3 | 0.2 |
| 气压 | Mpa | 0.7 | 0.6 | 0.6 | 0.6-0.8 |








上一篇:100台面直驱气浮转台
地址:河北省廊坊市大厂回族自治县云樾东方
电话:董小姐:19930237990, 王先生:13718806882
邮箱:王先生:wbh@bjruy.com

Copyright © 2002-2021 北京瑞钰科技有限公司 版权所有 备案号:京ICP备2021033966号

