服务热线
董小姐:19930237990, 王先生:13718806882
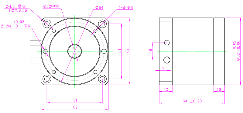
产品展示
Products Classification| 主要参数 | 单位 | RUWDD-A-062-060 | RUWDD-B-062-060 |
| 连续转矩 | N.m | 0.3 | 0.3 |
| 连续电流 | Arms | 1.6 | 1.6 |
| 最大转矩 | N.m | 1.0 | 1.0 |
| 最大电流 | Arms | 4.8 | 4.8 |
| 转矩常数 | Nm/Arms | 0.2 | 0.2 |
| 电阻 | Ω(25℃) | 2.6 | 2.6 |
| 电感 | mH(25℃) | 1.7 | 1.7 |
| 极数 | 14 | 14 | |
| 反电势常数 | Vrms/rpm | 0.2 | 0.2 |
| 最大额定功率 | W(25℃) | 12.7 | 12.7 |
| 电机常数 | Nm/Sqrt(W) | 0.1 | 0.1 |
| 转动惯量 | Kg.m² | 6.5*10-5 | 6.5*10-5 |
| 电机重量 | Kg | 0.65 | 0.65 |
| 最高转速 | rpm | 600 | 600 |
| 定位精度 | Arc sec | ±30 | ±3 |
| 重复精度 | Arc sec | ±2.5 | ±1 |
| 分辨率 | sin/cos | 500 | 500 |
| 最大轴向载荷 | N | 50 | 50 |
| 最大径向载荷 | Nm | / | / |
| 转向偏摆 | mm | 0.03 | 0.03 |

地址:河北省廊坊市大厂回族自治县云樾东方
电话:董小姐:19930237990, 王先生:13718806882
邮箱:王先生:wbh@bjruy.com

Copyright © 2002-2021 北京瑞钰科技有限公司 版权所有 备案号:京ICP备2021033966号

